本方案主要針對原水為河水、地下水、自來水等地區,水源通常比較渾濁,水面漂浮臟東西、樹葉、水藻等,尤其在暴雨季節,水中泥沙量增加,雜質多等情況。因此利用填料來降低水中 濁度,截留除去水中懸浮物、有機物膠質顆粒,是給水凈化的重要水處理設備。康津水處理為根據實際用途情況制定以下解決方案。用水處理量每小時約10噸。
壓力式凈水器-工藝介紹圖

壓力式凈水設備特點(雙柱壓力式凈水器)
石英砂過濾是利用幾種介質,在一定的壓力下,使原液通過該介質,去除雜質而使水質達標的目的。主要是利用填料來降低水中濁度,截留除去水中懸浮物、有機物膠質顆粒,是給水凈化的重要水處理設備。
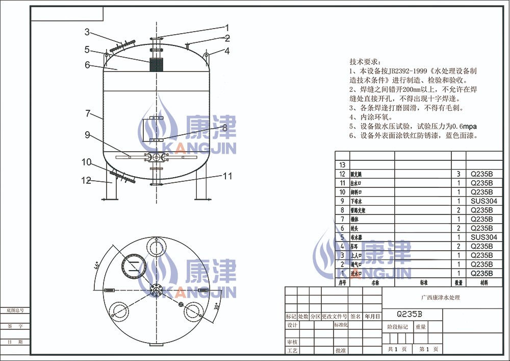
設備主要由罐體、布水系統、集水系統、濾料層、承托層及內部配套管路等組成,外部聯接原水進水、清水出水、反沖洗排水等主要管道和閥門與其相配的控制系統、壓力表、取樣閥等。
過濾器的運行過程主要由過濾和反沖洗兩個過程交替循環組成當含有污染物或雜質的原水在一定的壓力下通過一定厚度的濾層時,水中污染物或雜質就被過濾介質截留或吸附,因此而得到凈化變成相對潔凈(或者滿足一定的要求)的清水而被截留或吸附在過濾介質上的污染物在一定的周期不斷被清除以后,整個系統就能維持連續運行。這樣,原水不斷地被送入過濾器,經凈化后變成清水不斷地流出過濾器進入系統過濾是生產清水的過程,當原水通過進水管和布水系統進入過濾器后,在一定的壓力下經過濾料層截留或吸附水中的懸浮物,清水則經集水系統收集,由出水口排出。在過濾過程中,由于不斷截留水中的污物,濾料層的孔隙會逐漸減小,水阻力會不斷增大,當滿足排放件時,設備應進行反沖洗,反神洗周期一般根據出水水質或水頭損失確定。
設備特點:濾器為圓柱型罐體,以石英砂為濾料,采用一體化過濾。其特點為如下:
1、過濾面積大,處理水量大,運行效果好;
2、采用雙濾料,降低運行阻力 ;
3、濾料耐腐蝕,孔隙率高,截污容量大,密度適中,易于反沖洗;
4、過濾器主體采用碳鋼制作,內部環氧處理、設備防腐性能優良;
5、控制系統采用多閥PLC控制系統。人性化設計,簡單易操作、液晶觸摸屏,可實現自動控制、可儲存反洗相關數據、可根據用戶要求和實際運行情況修改參數、手自一體。
壓力式凈水器示意圖


多介質過濾器是利用一種或幾種過濾介質,在一定的壓力下把濁度較高的水通過一定厚度的粒狀或非粒材料,從而有效的除去懸浮雜質使水澄清的過程,常用的濾料有石英砂,無煙煤,錳砂等,主要用于水處理除濁、除鐵錳等,作為凈水設備的前級預處理,出水濁度可達3NUT以下。
絮凝加藥效果圖

工作原理:絮凝劑自動加藥系統是一種將攪拌箱和儲藥箱集成到一體的全獨立系統,該系統可確保干粉絮凝劑在水中完全分散和溶解。配制過程可由PLC自動控制,也可以手動配制。
結構原理:加藥裝置主要由溶液箱、攪拌器、計量泵、液位計、電控柜、管路、閥門、安全閥、背壓閥、止回閥、脈動阻尼器、壓力表、Y型過濾器等組成。
過程:粉狀絮凝劑人工加入到儲藥箱,打開進水控制閥補水進入到藥箱。
攪拌:此過程又可以分為兩步,第一步是預混器將藥粉和清水簡單混合,并將送入到攪拌箱中,進行充分的攪拌,攪拌過程是由一個低速攪拌器來完成的。攪拌好的藥液會在轉排閥的作用下排放到儲藥箱中,轉排閥的開閉由PLC根據時間來控制。
溶液的計量輸送:此過程是由計量泵,調節絮凝劑溶液的投加量,控制器收集來自數據采集和電氣控制系統的電信號后再發出控制信號,使絮凝劑的投加量可實現適時控制。
二氧化氯投加器效果圖

采用化學反應,自動緩釋延時壓力加氯工藝,以含氯75%以上的固體藥劑為主要原料,水與藥劑合理混合后產生的消毒殺菌液,投加到水池、水井、管道和污水池與之接觸達到滅菌的作用。

壓力式凈水器-效果圖






壓力式凈水設備安裝后現場圖







上一篇:已經沒有了
下一篇:已經沒有了